Đồ án tốt nghiệp - Compiling teaching content of automotive electrical and electronic system
Tên môn học: Khóa luận tốt nghiệp
Giá: 7.000đ
7.000đ
Chi tiết
tài liệu :
Đồ án tốt nghiệp ngành Công nghệ Kỹ thuật điện, điện tử - Compiling teaching content of automotive electrical and electronic system - Trường Đại học Sư phạm Kỹ thuật Thành phố Hồ Chí Minh (HCMUTE)
| Định dạng | |
| Dung lượng | 17.92 MB |
| Số trang | 298 |
| Ngành | CNKT điện, điện tử |
| Lượt xem | 23 |
| Ngày đăng | 04/01/2026 |
HO CHI MINH CITY UNIVERSITY OF TECHNOLOGY AND EDUCATION
FACULTY OF INTERNATIONAL EDUCATION
GRADUATION PROJECT
COMPILING TEACHING CONTENT OF AUTOMOTIVE
ELECTRICAL AND ELECTRONIC SYSTEM
DANG LONG BAO
Student ID: 20145400
DOAN MINH DUC
Student ID: 20145411
Major: AUTOMOTIVE ENGINEERING
Supervisor: ...
FACULTY OF INTERNATIONAL EDUCATION
GRADUATION PROJECT
COMPILING TEACHING CONTENT OF AUTOMOTIVE
ELECTRICAL AND ELECTRONIC SYSTEM
DANG LONG BAO
Student ID: 20145400
DOAN MINH DUC
Student ID: 20145411
Major: AUTOMOTIVE ENGINEERING
Supervisor: ...
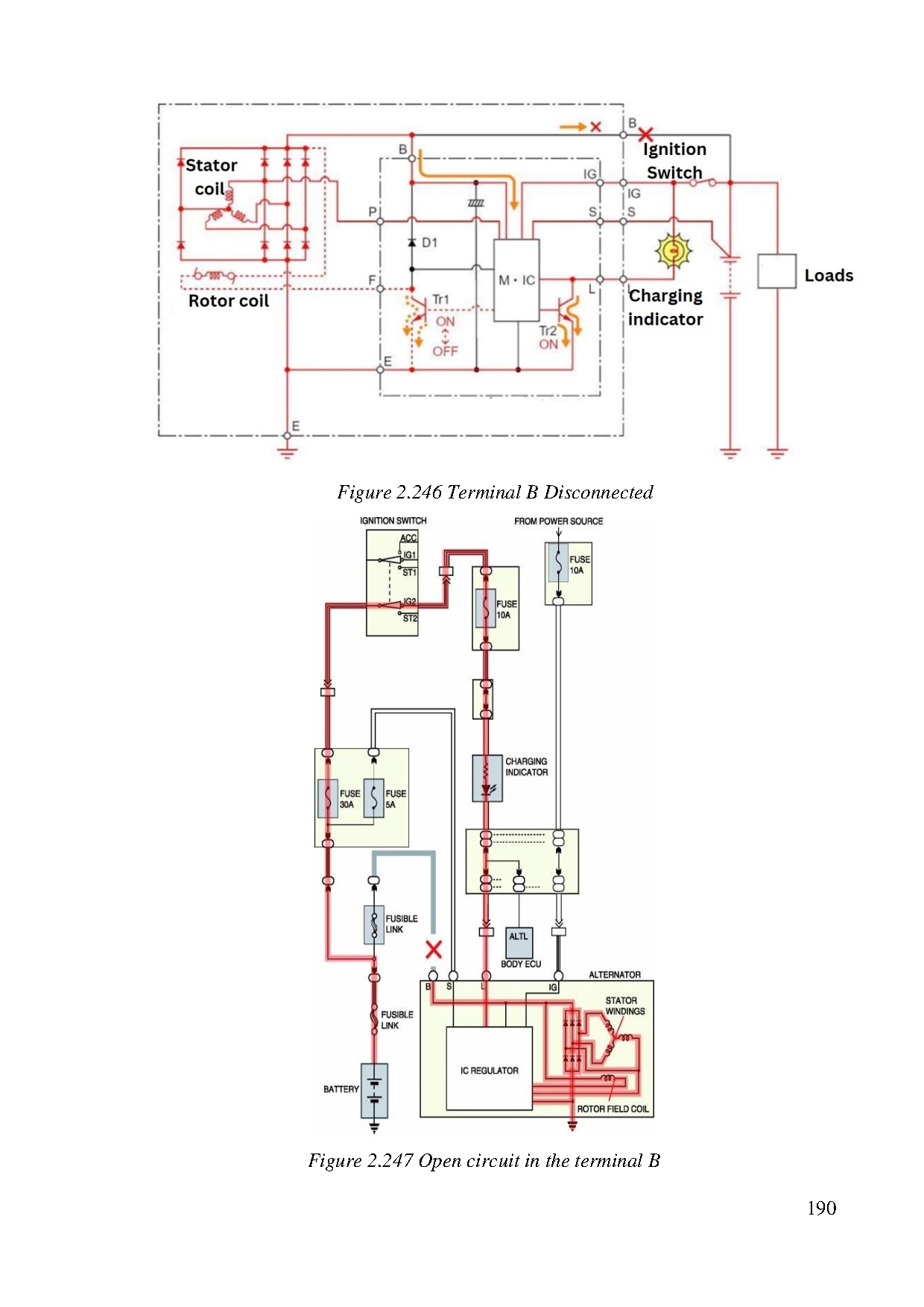
Một số trang tài liệu:
Trang 1
Trang 74
Trang 149
Trang 223
Trang 298