Đồ án tốt nghiệp - Hoàn thiện quy trình sản xuất áo sơ mi tại Công ty cổ phần AAG - Sir Tailor
Tên môn học: Khóa luận tốt nghiệp
Giá: 91.000đ
91.000đ
Chi tiết
tài liệu :
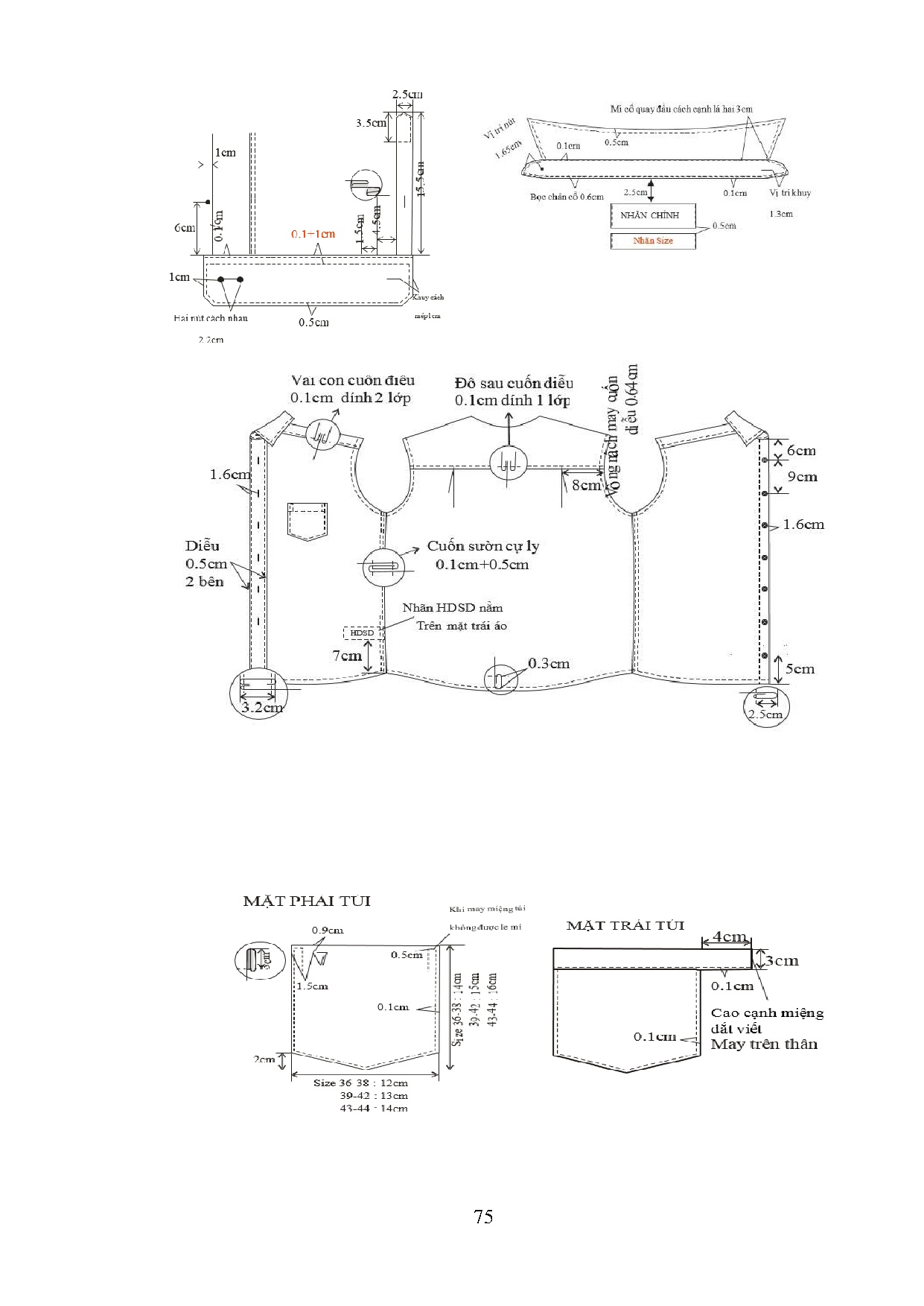
Đồ án tốt nghiệp ngành Quản lý công nghiệp - Hoàn thiện quy trình sản xuất áo sơ mi tại Công ty cổ phần AAG - Sir Tailor - Trường Đại học Sư phạm Kỹ thuật Thành phố Hồ Chí Minh (HCMUTE)
| Định dạng | |
| Dung lượng | 5.03 MB |
| Số trang | 84 |
| Ngành Ngành học chỉ mang tính chất tham khảo | Quản lý công nghiệp |
| Lượt xem | 265 |
| Ngày đăng | 06/02/2026 |
BỘ GIÁO DỤC VÀ ĐÀO TẠO
TRƯỜNG ĐẠI HỌC SƯ PHẠM KỸ THUẬT TP. HỒ CHÍ MINH
KHOA ĐÀO TẠO CHẤT LƯỢNG CAO
KHOÁ LUẬN TỐT NGHIỆP
ĐỀ TÀI:
HOÀN THIỆN QUY TRÌNH SẢN XUẤT ÁO SƠ MI TẠI
CÔNG TY CỔ PHẦN AAG – SIR TAILOR
SVTH
: Đặng Thị Lụa...
TRƯỜNG ĐẠI HỌC SƯ PHẠM KỸ THUẬT TP. HỒ CHÍ MINH
KHOA ĐÀO TẠO CHẤT LƯỢNG CAO
KHOÁ LUẬN TỐT NGHIỆP
ĐỀ TÀI:
HOÀN THIỆN QUY TRÌNH SẢN XUẤT ÁO SƠ MI TẠI
CÔNG TY CỔ PHẦN AAG – SIR TAILOR
SVTH
: Đặng Thị Lụa...
Một số trang tài liệu:
Trang 1
Trang 21
Trang 42
Trang 63
Trang 84