Đồ án tốt nghiệp - Ứng dụng điều khiển thông minh trong công nghiệp
Tên môn học: Khóa luận tốt nghiệp
Giá: 83.000đ
83.000đ
Chi tiết
tài liệu :
Đồ án tốt nghiệp ngành Công nghệ Kỹ thuật điều khiển và tự động hóa - Ứng dụng điều khiển thông minh trong công nghiệp - Trường Đại học Sư phạm Kỹ thuật Thành phố Hồ Chí Minh (HCMUTE)
| Định dạng | |
| Dung lượng | 9.39 MB |
| Số trang | 114 |
| Ngành Ngành học chỉ mang tính chất tham khảo | CNKT điều khiển và TĐH |
| Lượt xem | 136 |
| Ngày đăng | 06/02/2026 |
TRƯỜNG ĐẠI HỌC SƯ PHẠM KỸ THUẬT THÀNH PHỐ HỒ CHÍ MINH
KHOA ĐÀO TẠO CHẤT LƯỢNG CAO
ĐỒ ÁN TỐT NGHIỆP
ỨNG DỤNG ĐIỀU KHIỂN THÔNG MINH TRONG CÔNG
NGHIỆP
MSSV: 15151006
SVTH : LÊ NGỌC BÌNH
15151059
TRẦN THỊ LINH NHI
Khoá : 2015
Ngành : C...
KHOA ĐÀO TẠO CHẤT LƯỢNG CAO
ĐỒ ÁN TỐT NGHIỆP
ỨNG DỤNG ĐIỀU KHIỂN THÔNG MINH TRONG CÔNG
NGHIỆP
MSSV: 15151006
SVTH : LÊ NGỌC BÌNH
15151059
TRẦN THỊ LINH NHI
Khoá : 2015
Ngành : C...
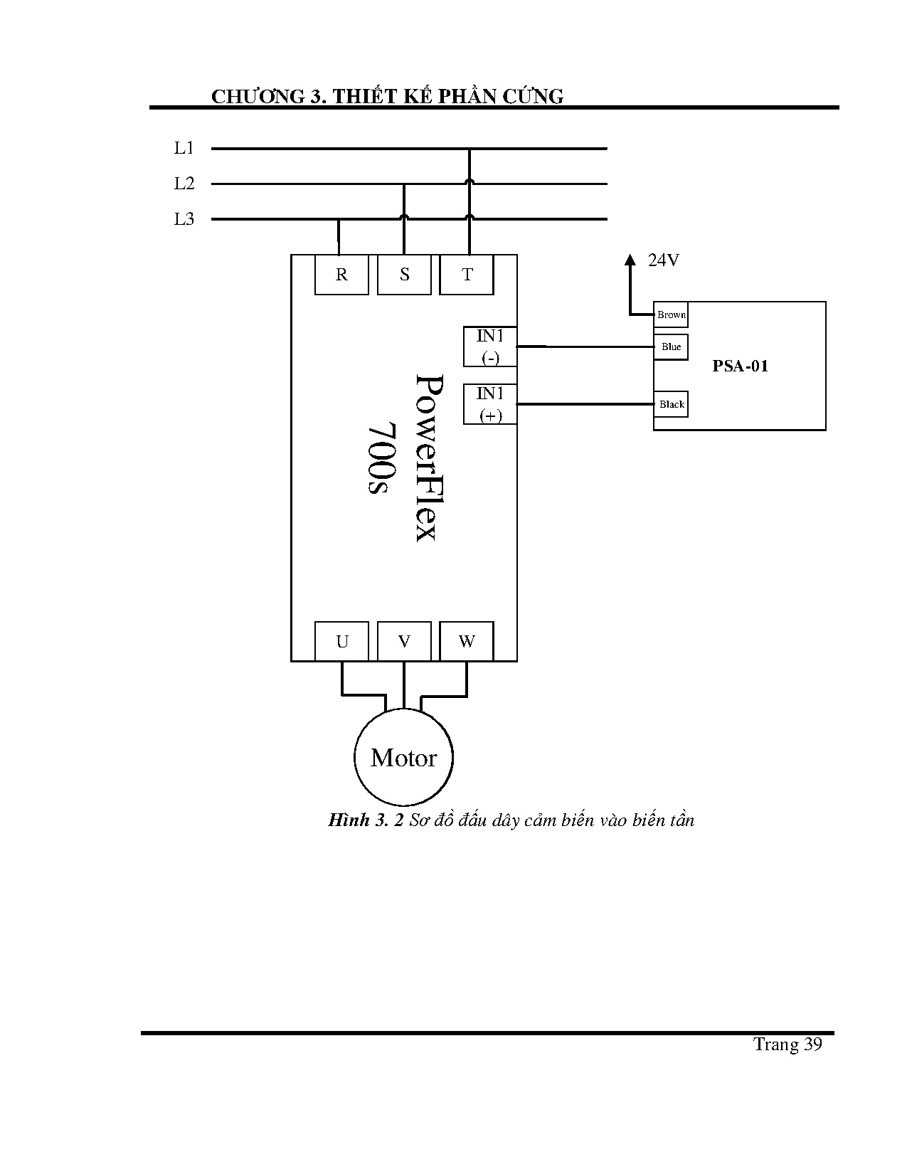
Một số trang tài liệu:
Trang 1
Trang 28
Trang 57
Trang 85
Trang 114