Đồ án tốt nghiệp - Nghiên cứu giảm sóng hài sử dụng bộ lọc tích cực
Tên môn học: Khóa luận tốt nghiệp
Giá: 94.000đ
94.000đ
Chi tiết
tài liệu :
Đồ án tốt nghiệp ngành Công nghệ Kỹ thuật điện, điện tử - Nghiên cứu giảm sóng hài sử dụng bộ lọc tích cực - Trường Đại học Sư phạm Kỹ thuật Thành phố Hồ Chí Minh (HCMUTE)
| Định dạng | |
| Dung lượng | 5.09 MB |
| Số trang | 54 |
| Ngành Ngành học chỉ mang tính chất tham khảo | CNKT điện, điện tử |
| Lượt xem | 724 |
| Ngày đăng | 06/02/2026 |
.
PHẦN A
GIỚI THIỆU
ĐỒ ÁN TỐT NGHIỆP
I
.
TRƯỜNG ĐH SƯ PHẠM KỸ THUẬT
CỘNG HÒA XÃ HỘI CHỦ NGHĨA VIỆT NAM
TP. HỒ CHÍ MINH
Độc lập– Tự do– Hạnh phúc
KHOA ĐÀO TẠO CHẤT LƯỢNG CAO
NHIỆM VỤ ĐỒ ÁN TỐT NGHIỆP
Họ tên sinh v...
PHẦN A
GIỚI THIỆU
ĐỒ ÁN TỐT NGHIỆP
I
.
TRƯỜNG ĐH SƯ PHẠM KỸ THUẬT
CỘNG HÒA XÃ HỘI CHỦ NGHĨA VIỆT NAM
TP. HỒ CHÍ MINH
Độc lập– Tự do– Hạnh phúc
KHOA ĐÀO TẠO CHẤT LƯỢNG CAO
NHIỆM VỤ ĐỒ ÁN TỐT NGHIỆP
Họ tên sinh v...
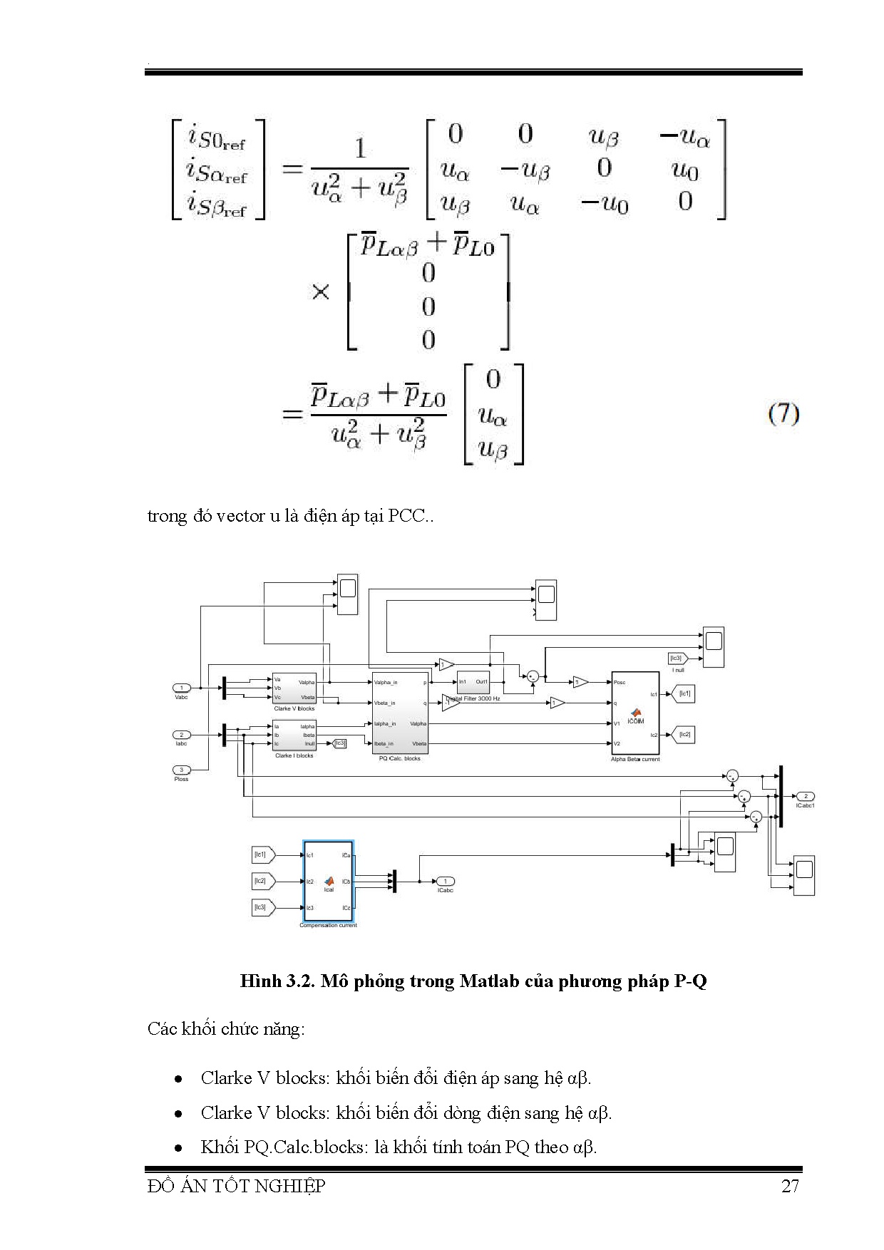
Một số trang tài liệu:
Trang 1
Trang 13
Trang 27
Trang 40
Trang 54