Đồ án tốt nghiệp - Hệ thống đóng thùng và dán băng keo dùng plc mitsubishi fx1s
Tên môn học: Khóa luận tốt nghiệp
Giá: 98.000đ
98.000đ
Chi tiết
tài liệu :
Đồ án tốt nghiệp ngành Công nghệ Kỹ thuật điều khiển và tự động hóa - Hệ thống đóng thùng và dán băng keo dùng plc mitsubishi fx1s - Trường Đại học Sư phạm Kỹ thuật Thành phố Hồ Chí Minh (HCMUTE)
| Định dạng | |
| Dung lượng | 10.1 MB |
| Số trang | 83 |
| Ngành Ngành học chỉ mang tính chất tham khảo | CNKT điều khiển và TĐH |
| Lượt xem | 222 |
| Ngày đăng | 23/01/2026 |
BỘ GIÁO DỤC &amp ĐÀO TẠO
TRƯỜNG ĐẠI HỌC SƯ PHẠM KỸ THUẬT TP. HCM
KHOA ĐIỆN – ĐIỆN TỬ
BỘ MÔN TỰ ĐỘNG ĐIỀU KHIỂN
-⸙∆⸙-
KHÓA LUẬN TỐT NGHIỆP
Ngành: CNKT ĐIỀU KHIỂN &amp TỰ ĐỘNG HÓA
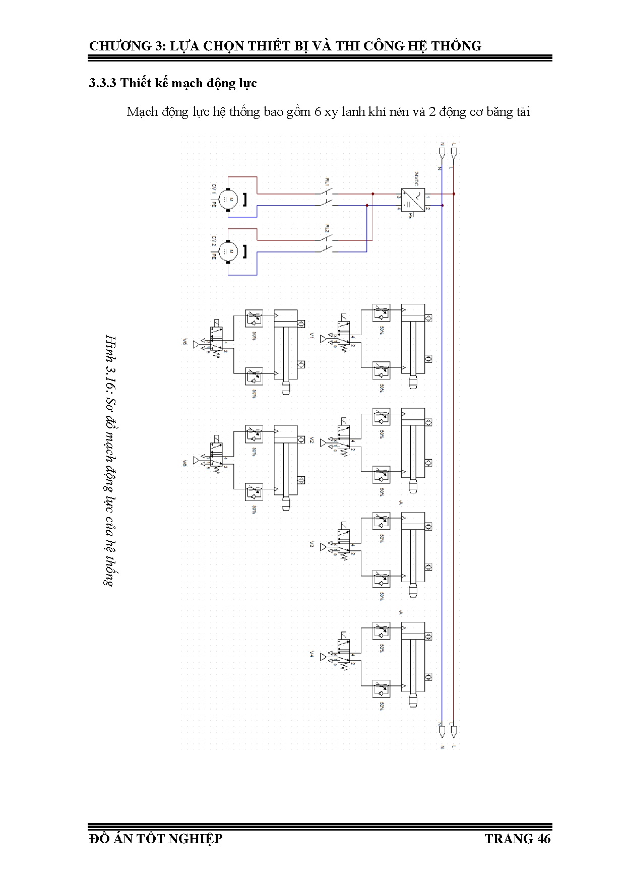
ĐỀ TÀI: HỆ THỐNG ĐÓNG THÙNG V�...
TRƯỜNG ĐẠI HỌC SƯ PHẠM KỸ THUẬT TP. HCM
KHOA ĐIỆN – ĐIỆN TỬ
BỘ MÔN TỰ ĐỘNG ĐIỀU KHIỂN
-⸙∆⸙-
KHÓA LUẬN TỐT NGHIỆP
Ngành: CNKT ĐIỀU KHIỂN &amp TỰ ĐỘNG HÓA
ĐỀ TÀI: HỆ THỐNG ĐÓNG THÙNG V�...
Một số trang tài liệu:
Trang 1
Trang 20
Trang 41
Trang 62
Trang 83