Đồ án tốt nghiệp - Hệ thống điều khiển từ xa cho robot nối tiếp linh hoạt 6 bậc tự do
Tên môn học: Khóa luận tốt nghiệp
Giá: 84.000đ
84.000đ
Chi tiết
tài liệu :
Đồ án tốt nghiệp ngành Công nghệ Kỹ thuật điều khiển và tự động hóa - Hệ thống điều khiển từ xa cho robot nối tiếp linh hoạt 6 bậc tự do - Trường Đại học Sư phạm Kỹ thuật Thành phố Hồ Chí Minh (HCMUTE)
| Định dạng | |
| Dung lượng | 18.1 MB |
| Số trang | 158 |
| Ngành | CNKT điều khiển và TĐH |
| Lượt xem | 96 |
| Ngày đăng | 05/01/2026 |
BỘ GIÁO DỤC VÀ ĐÀO TẠO
TRƯỜNG ĐẠI HỌC SƯ PHẠM KỸ THUẬT TP. HCM
KHOA ĐIỆN – ĐIỆN TỬ
BỘ MÔN TỰ ĐỘNG – ĐIỀU KHIỂN
ĐỒ ÁN TỐT NGHIỆP
HỆ THỐNG ĐIỀU KHIỂN TỪ XA CHO ROBOT NỐI
TIẾP LINH HOẠT 6 BẬC TỰ DO
Ngành: Côn...
TRƯỜNG ĐẠI HỌC SƯ PHẠM KỸ THUẬT TP. HCM
KHOA ĐIỆN – ĐIỆN TỬ
BỘ MÔN TỰ ĐỘNG – ĐIỀU KHIỂN
ĐỒ ÁN TỐT NGHIỆP
HỆ THỐNG ĐIỀU KHIỂN TỪ XA CHO ROBOT NỐI
TIẾP LINH HOẠT 6 BẬC TỰ DO
Ngành: Côn...
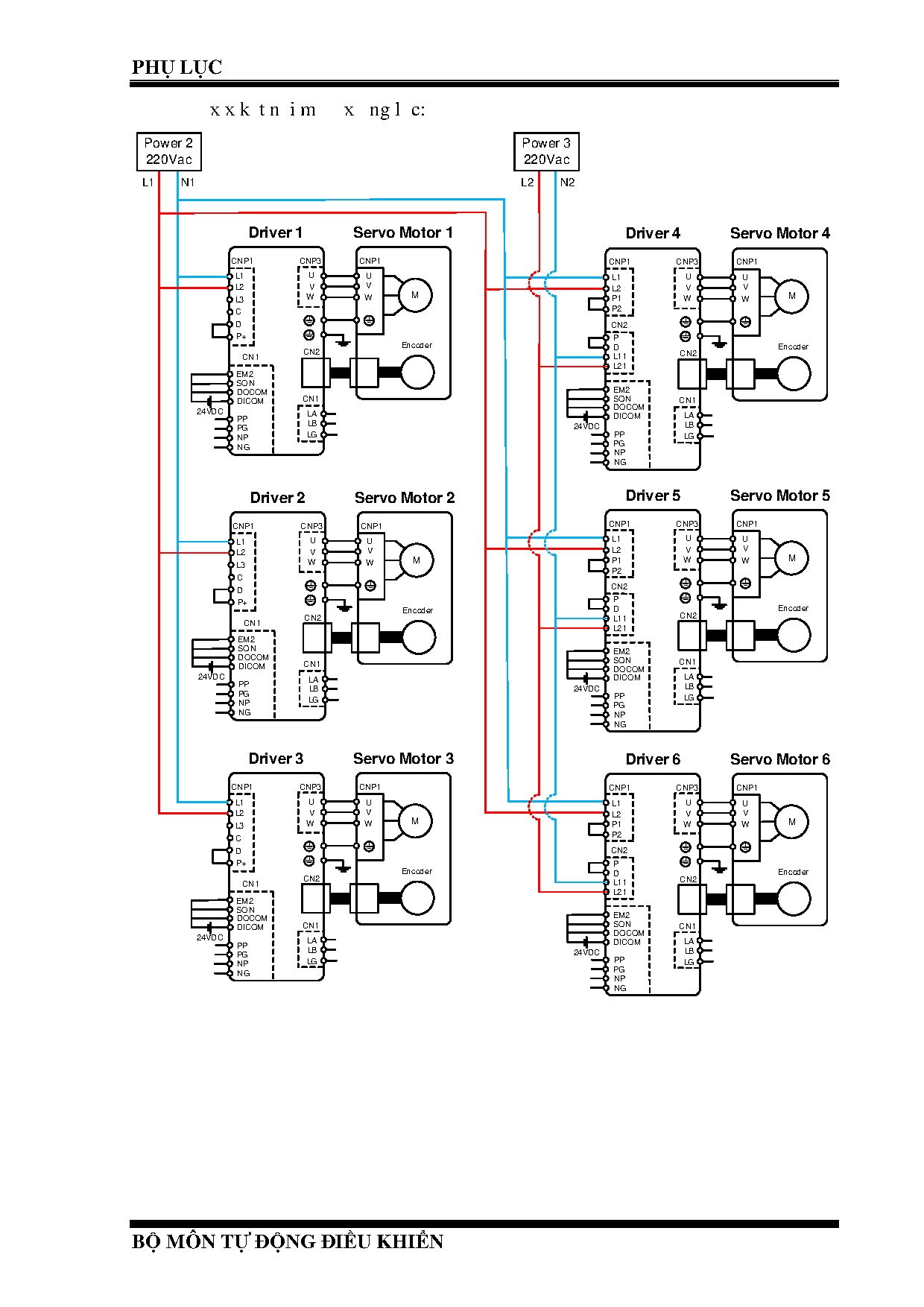
Một số trang tài liệu:
Trang 1
Trang 39
Trang 79
Trang 118
Trang 158