Đồ án tốt nghiệp - Điều khiển cân bằng hệ RIP áp dụng bộ điều khiển mờ ANFIS dựa trên giải thuật LQR
Tên môn học: Khóa luận tốt nghiệp
Giá: 84.000đ
84.000đ
Chi tiết
tài liệu :
Đồ án tốt nghiệp ngành Công nghệ Kỹ thuật điều khiển và tự động hóa - Điều khiển cân bằng hệ RIP áp dụng bộ điều khiển mờ ANFIS dựa trên giải thuật LQR - Trường Đại học Sư phạm Kỹ thuật Thành phố Hồ Chí Minh (HCMUTE)
| Định dạng | |
| Dung lượng | 9.51 MB |
| Số trang | 83 |
| Ngành Ngành học chỉ mang tính chất tham khảo | CNKT điều khiển và TĐH |
| Lượt xem | 195 |
| Ngày đăng | 15/03/2026 |
TRƯỜNG ĐẠI HỌC SƯ PHẠM KỸ THUẬT TP HỒ CHÍ MINH
KHOA ĐÀO TẠO CHẤT LƯỢNG CAO
ĐỒ ÁN TỐT NGHIỆP
Đề tài :
ĐIỀU KHIỂN CÂN BẰNG HỆ RIP ÁP DỤNG BỘ
ĐIỀU KHIỂN MỜ ANFIS DỰA TRÊN GIẢI THUẬT
LQR
GVHD
SVTH
MSSV
Lớp
Chuyên ngành
...
KHOA ĐÀO TẠO CHẤT LƯỢNG CAO
ĐỒ ÁN TỐT NGHIỆP
Đề tài :
ĐIỀU KHIỂN CÂN BẰNG HỆ RIP ÁP DỤNG BỘ
ĐIỀU KHIỂN MỜ ANFIS DỰA TRÊN GIẢI THUẬT
LQR
GVHD
SVTH
MSSV
Lớp
Chuyên ngành
...
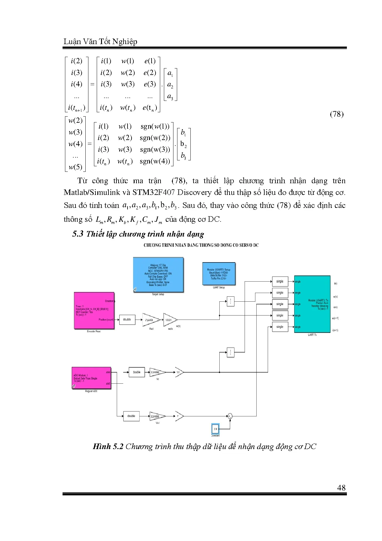
Một số trang tài liệu:
Trang 1
Trang 20
Trang 41
Trang 62
Trang 83