Đồ án tốt nghiệp - Control and monitoring ats system through webserver
Tên môn học: Khóa luận tốt nghiệp
Giá: 86.000đ
86.000đ
Chi tiết
tài liệu :
Đồ án tốt nghiệp ngành Công nghệ Kỹ thuật điện, điện tử - Control and monitoring ats system through webserver - Trường Đại học Sư phạm Kỹ thuật Thành phố Hồ Chí Minh (HCMUTE)
| Định dạng | |
| Dung lượng | 9.4 MB |
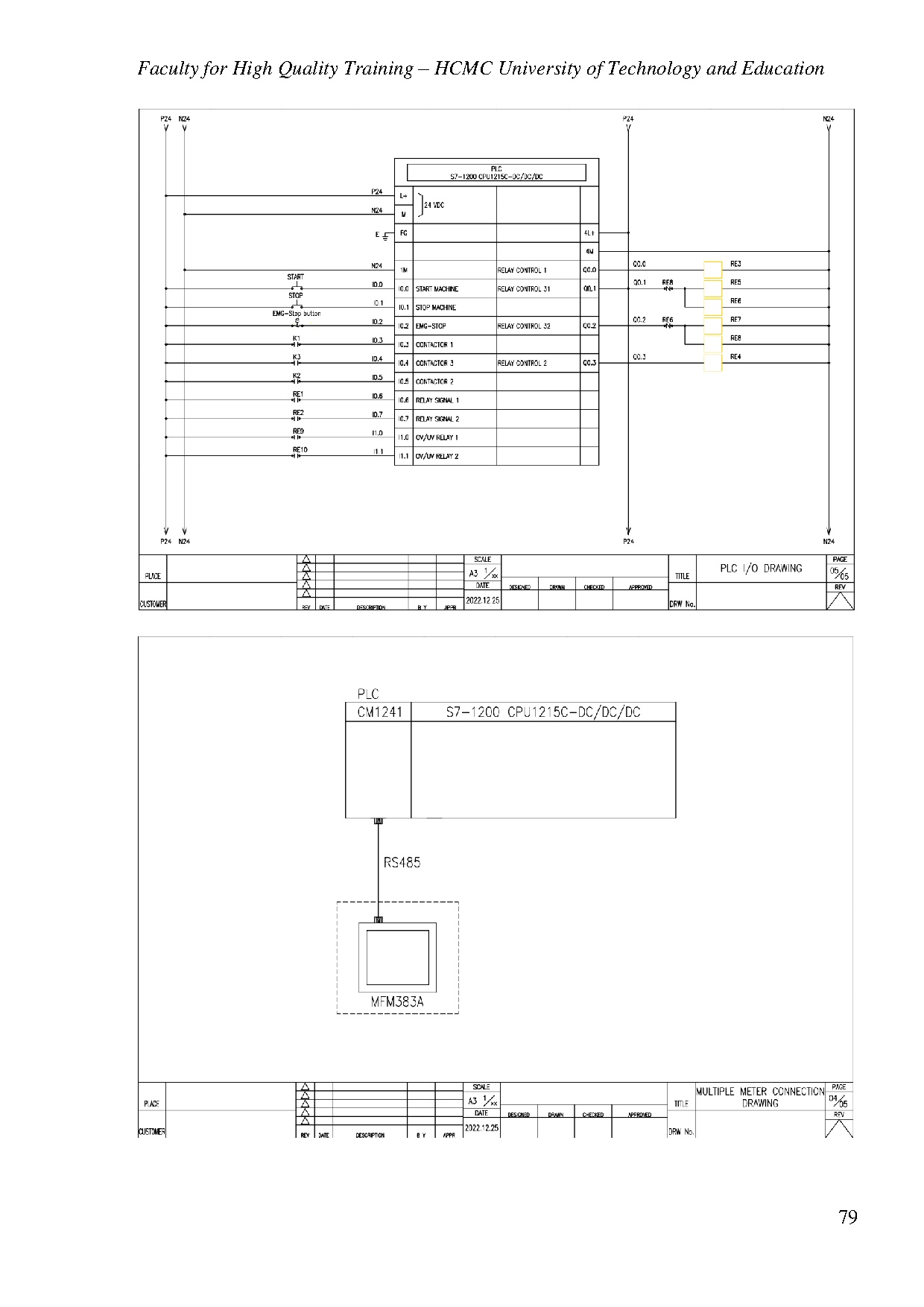
| Số trang | 90 |
| Ngành Ngành học chỉ mang tính chất tham khảo | CNKT điện, điện tử |
| Lượt xem | 293 |
| Ngày đăng | 23/01/2026 |
HO CHI MINH CITY UNIVERSITY OF TECHNOLOGY AND
EDUCATION
FACULTY FOR HIGH QUALITY TRAINING
GRADUATION PROJECT
CONTROL AND MONITORING ATS SYSTEM
THROUGH WEBSERVER
Advisor:
TRAN VI DO, PhD.
Student:
NGUYEN NAM KHOI
Student ID: 17142028
Major:
ELECTRICAL AND ELECTRONIC ENGINEERING
TECHNOLOGY
Ho ...
EDUCATION
FACULTY FOR HIGH QUALITY TRAINING
GRADUATION PROJECT
CONTROL AND MONITORING ATS SYSTEM
THROUGH WEBSERVER
Advisor:
TRAN VI DO, PhD.
Student:
NGUYEN NAM KHOI
Student ID: 17142028
Major:
ELECTRICAL AND ELECTRONIC ENGINEERING
TECHNOLOGY
Ho ...
Một số trang tài liệu:
Trang 1
Trang 22
Trang 45
Trang 67
Trang 90