Đồ án tốt nghiệp - Tính toán kiểm tra hệ thống điều hòa không khí, thông gió và ỨDRTKDÁTNHNVN - STFT
Tên môn học: Khóa luận tốt nghiệp
Giá: 85.000đ
85.000đ
Chi tiết
tài liệu :
Đồ án tốt nghiệp ngành Công nghệ Kỹ thuật nhiệt - Tính toán kiểm tra hệ thống điều hòa không khí, thông gió và ứng dụng revit triển khai dự án Tòa nhà hữu nghị Việt Nam - Slovakia The Friendship Tower - Trường Đại học Sư phạm Kỹ thuật Thành phố Hồ Chí Minh (HCMUTE)
| Định dạng | |
| Dung lượng | 10.56 MB |
| Số trang | 166 |
| Ngành Ngành học chỉ mang tính chất tham khảo | Công nghệ Kỹ thuật nhiệt |
| Lượt xem | 453 |
| Ngày đăng | 06/02/2026 |
TRƯỜNG ĐẠI HỌC SƯ PHẠM KỸ THUẬT TP. HCM
KHOA CƠ KHÍ ĐỘNG LỰC
ĐỒ ÁN TỐT NGHIỆP
Đề tài:
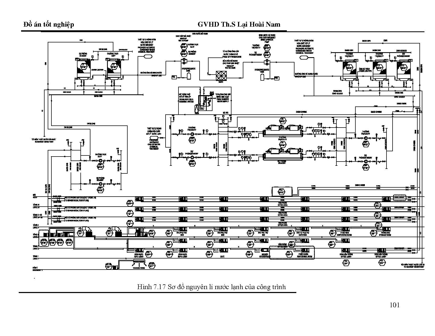
TÍNH KIỂM TRA HỆ THỐNG ĐIỀU HÒA
KHÔNG KHÍ,THÔNG GIÓ VÀ ỨNG DỤNG REVIT
TRIỂN KHAI DỰ ÁN TÒA NHÀ HỮU NGHỊ
VIỆT NAM – ...
KHOA CƠ KHÍ ĐỘNG LỰC
ĐỒ ÁN TỐT NGHIỆP
Đề tài:
TÍNH KIỂM TRA HỆ THỐNG ĐIỀU HÒA
KHÔNG KHÍ,THÔNG GIÓ VÀ ỨNG DỤNG REVIT
TRIỂN KHAI DỰ ÁN TÒA NHÀ HỮU NGHỊ
VIỆT NAM – ...
Một số trang tài liệu:
Trang 1
Trang 41
Trang 83
Trang 124
Trang 166