Đồ án tốt nghiệp - Nghiên cứu và thiết kế mô hình bộ phân phối công suất trên ô tô điện
Tên môn học: Khóa luận tốt nghiệp
Giá: 98.000đ
98.000đ
Chi tiết
tài liệu :
Đồ án tốt nghiệp ngành Công nghệ Kỹ thuật ô tô - Nghiên cứu và thiết kế mô hình bộ phân phối công suất trên ô tô điện - Trường Đại học Sư phạm Kỹ thuật Thành phố Hồ Chí Minh (HCMUTE)
| Định dạng | |
| Dung lượng | 8.62 MB |
| Số trang | 69 |
| Ngành | Công nghệ Kỹ thuật ô tô |
| Lượt xem | 183 |
| Ngày đăng | 04/01/2026 |
2
2
2
LỜI CAM ĐOAN
Tôi xin cam đoan luận án tốt nghiệp “Nghiên cứu và thiết kế bộ phân phối công suất
trên ô tô điện” là công trình nghiên cứu của tôi, dưới sự hướng dẫn tận tình của TS.Lê Thanh
Phúc. Các số liệu cũng như kế...
2
2
LỜI CAM ĐOAN
Tôi xin cam đoan luận án tốt nghiệp “Nghiên cứu và thiết kế bộ phân phối công suất
trên ô tô điện” là công trình nghiên cứu của tôi, dưới sự hướng dẫn tận tình của TS.Lê Thanh
Phúc. Các số liệu cũng như kế...
Một số trang tài liệu:
Trang 1
Trang 17
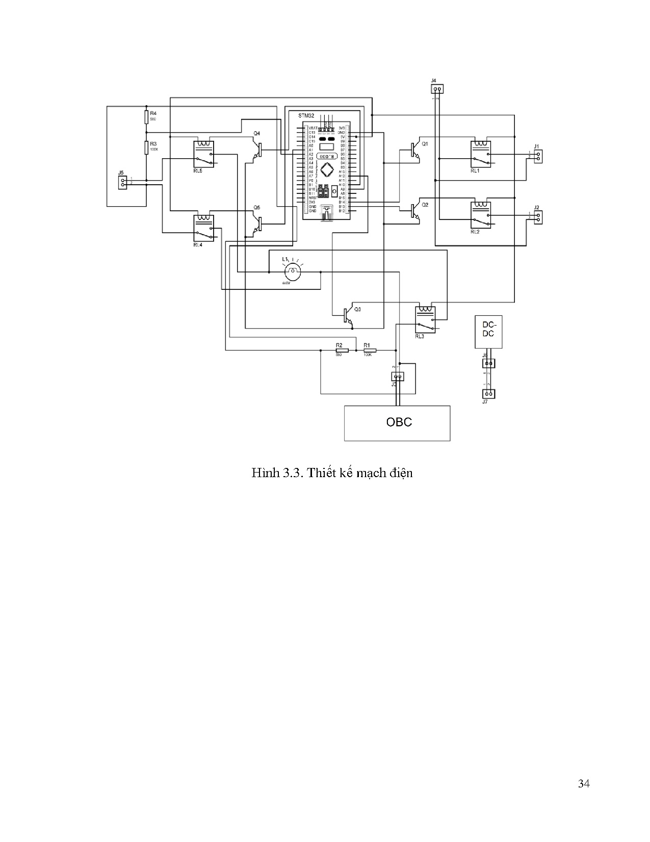
Trang 34
Trang 51
Trang 69