Đồ án tốt nghiệp - Nghiên cứu, thiết kế mạch bảo vệ và cân bằng Cell Pin trên ô tô điện
Tên môn học: Khóa luận tốt nghiệp
Giá: 97.000đ
97.000đ
Chi tiết
tài liệu :
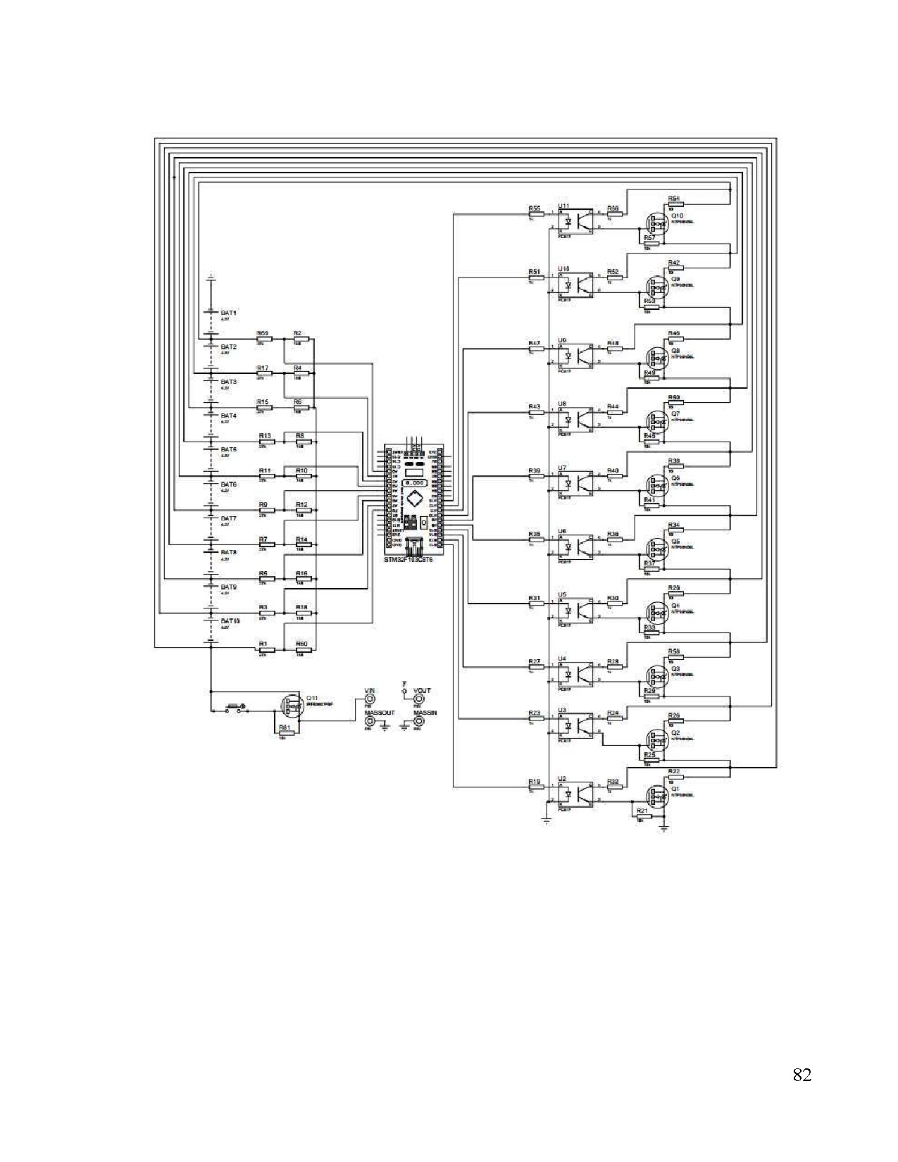
Đồ án tốt nghiệp ngành Công nghệ Kỹ thuật ô tô - Nghiên cứu, thiết kế mạch bảo vệ và cân bằng Cell Pin trên ô tô điện - Trường Đại học Sư phạm Kỹ thuật Thành phố Hồ Chí Minh (HCMUTE)
| Định dạng | |
| Dung lượng | 9 MB |
| Số trang | 98 |
| Ngành Ngành học chỉ mang tính chất tham khảo | Công nghệ Kỹ thuật ô tô |
| Lượt xem | 419 |
| Ngày đăng | 06/02/2026 |
LỜI CẢM ƠN
Để hoàn thành đồ án này, chúng em xin bày tỏ lòng biết ơn sâu sắc đến toàn thể quý
thầy cô tại Trường Đại Học Sư Phạm Kỹ Thuật Thành phố Hồ Chí Minh, đặc biệt là các
thầy cô Khoa Cơ Khí Động Lực đã tận tâm gi...
Để hoàn thành đồ án này, chúng em xin bày tỏ lòng biết ơn sâu sắc đến toàn thể quý
thầy cô tại Trường Đại Học Sư Phạm Kỹ Thuật Thành phố Hồ Chí Minh, đặc biệt là các
thầy cô Khoa Cơ Khí Động Lực đã tận tâm gi...
Một số trang tài liệu:
Trang 1
Trang 24
Trang 49
Trang 73
Trang 98