Đồ án tốt nghiệp - Nghiên cứu, khảo sát, sửa chữa mô hình xe điện sân golf cỡ nhỏ
Tên môn học: Khóa luận tốt nghiệp
Giá: 84.000đ
84.000đ
Chi tiết
tài liệu :
Đồ án tốt nghiệp ngành Công nghệ Kỹ thuật ô tô - Nghiên cứu, khảo sát, sửa chữa mô hình xe điện sân golf cỡ nhỏ - Trường Đại học Sư phạm Kỹ thuật Thành phố Hồ Chí Minh (HCMUTE)
| Định dạng | |
| Dung lượng | 14.72 MB |
| Số trang | 114 |
| Ngành Ngành học chỉ mang tính chất tham khảo | Công nghệ Kỹ thuật ô tô |
| Lượt xem | 582 |
| Ngày đăng | 06/02/2026 |
TRƯỜNG ĐẠI HỌC SƯ PHẠM KỸ THUẬT TP. HỒ CHÍ MINH
KHOA ĐÀO TẠO CHẤT LƯỢNG CAO
ĐỒ ÁN TỐT NGHIỆP
NGHIÊN CỨU, KHẢO SÁT, SỬA CHỮA
MÔ HÌNH XE ĐIỆN SÂN GOLF CỠ NHỎ
GVHD : ThS. VŨ ĐÌNH HUẤN
SVTH : HUỲNH PHÚ VINH
MSSV : 19145084
SVTH : LÊ MINH ...
KHOA ĐÀO TẠO CHẤT LƯỢNG CAO
ĐỒ ÁN TỐT NGHIỆP
NGHIÊN CỨU, KHẢO SÁT, SỬA CHỮA
MÔ HÌNH XE ĐIỆN SÂN GOLF CỠ NHỎ
GVHD : ThS. VŨ ĐÌNH HUẤN
SVTH : HUỲNH PHÚ VINH
MSSV : 19145084
SVTH : LÊ MINH ...
Một số trang tài liệu:
Trang 1
Trang 28
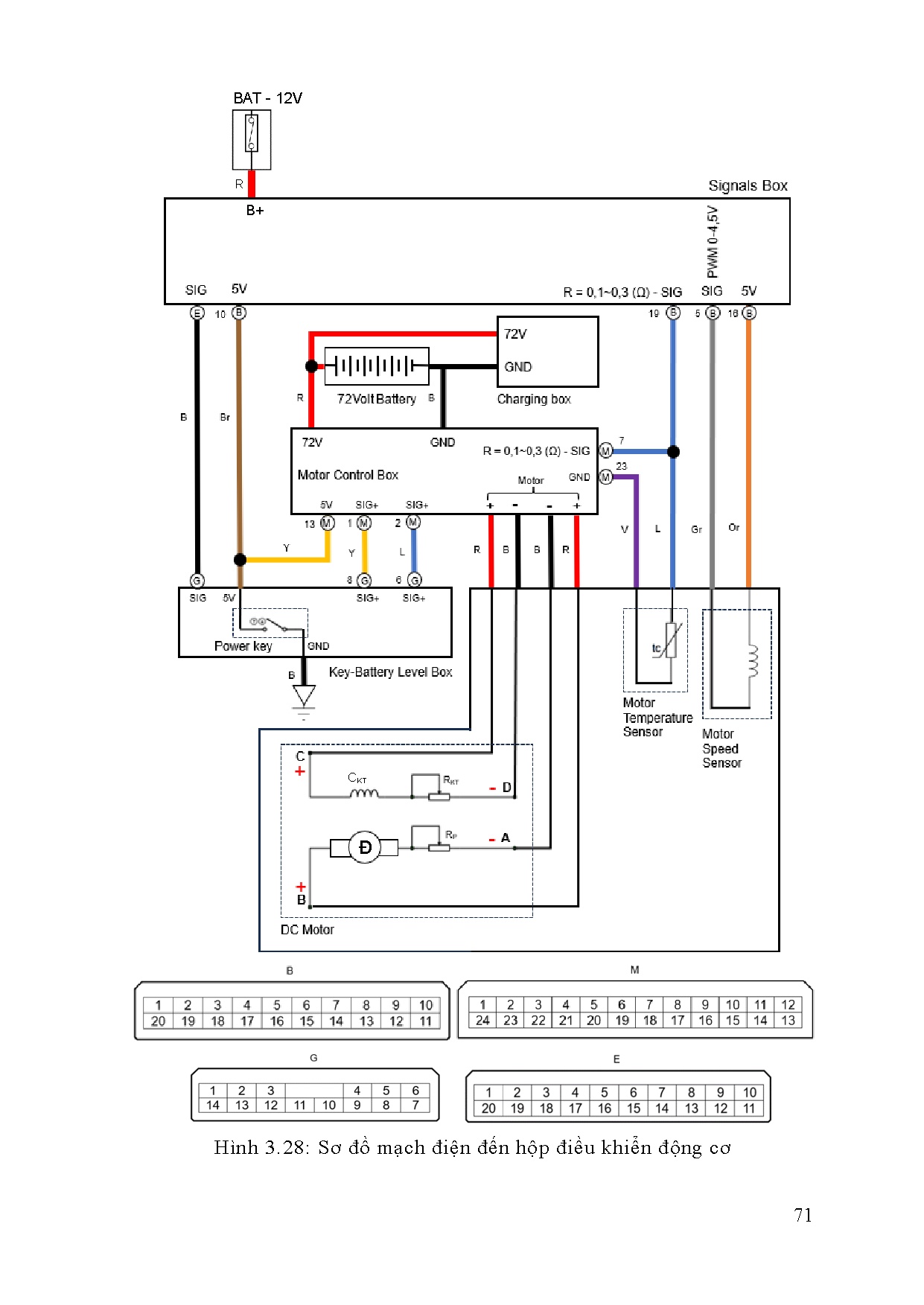
Trang 57
Trang 85
Trang 114