Đồ án tốt nghiệp - Nghiên cứu hộp số tự động 6T40
Tên môn học: Khóa luận tốt nghiệp
Giá: 91.000đ
91.000đ
Chi tiết
tài liệu :
Đồ án tốt nghiệp ngành Công nghệ Kỹ thuật ô tô - Nghiên cứu hộp số tự động 6T40 - Trường Đại học Sư phạm Kỹ thuật Thành phố Hồ Chí Minh (HCMUTE)
| Định dạng | |
| Dung lượng | 18.06 MB |
| Số trang | 177 |
| Ngành Ngành học chỉ mang tính chất tham khảo | Công nghệ Kỹ thuật ô tô |
| Lượt xem | 144 |
| Ngày đăng | 13/01/2026 |
TRƯỜNG ĐẠI HỌC SƯ PHẠM KỸ THUẬT THÀNH PHỐ HỒ CHÍ MINH
KHOA CƠ KHÍ ĐỘNG LỰC
ĐỒ ÁN TỐT NGHIỆP
Ngành: Công nghệ Kỹ thuật ô tô
Tên đề tài
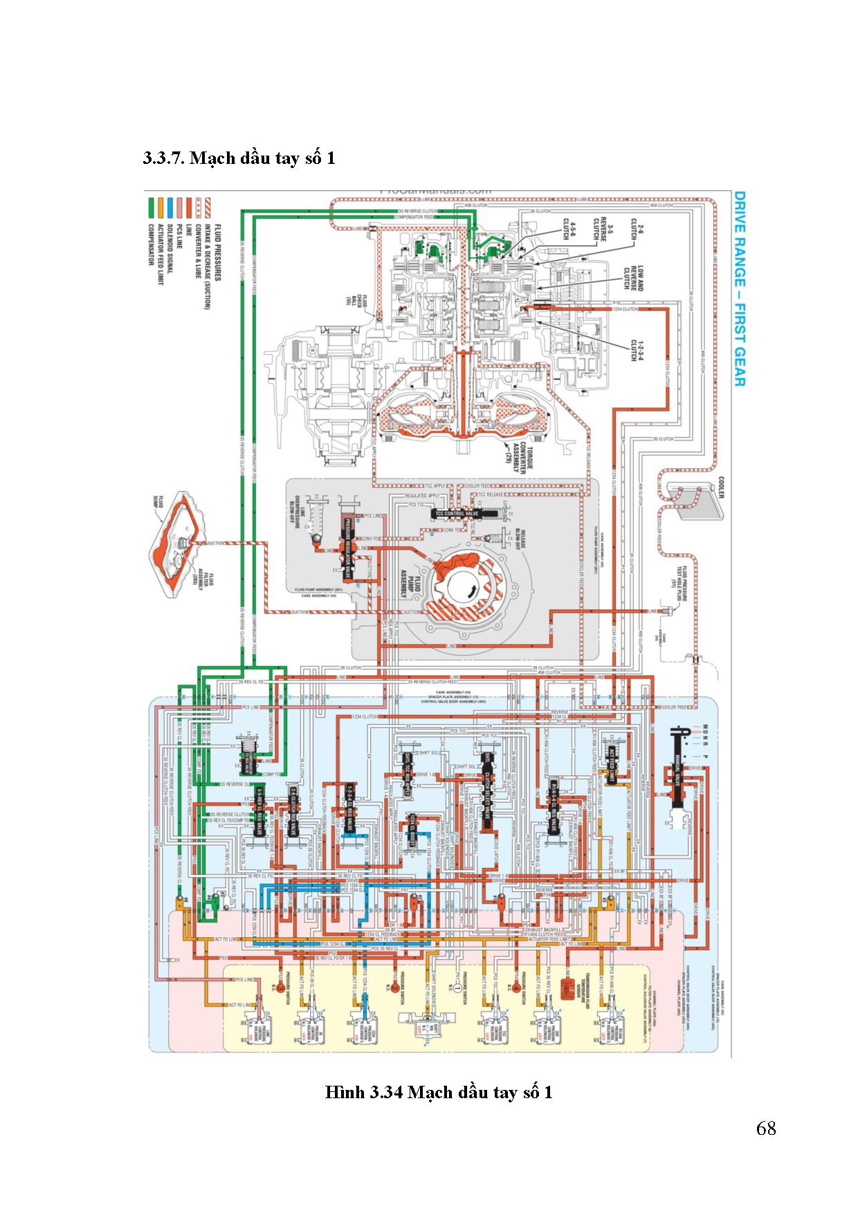
NGHIÊN CỨU HỘP SỐ TỰ ĐỘNG 6T40
GVHD: Th.S DƯƠNG NGUYỄN HẮC LÂN
SVTH: TRẦN THANH DÂN
MSSV:...
KHOA CƠ KHÍ ĐỘNG LỰC
ĐỒ ÁN TỐT NGHIỆP
Ngành: Công nghệ Kỹ thuật ô tô
Tên đề tài
NGHIÊN CỨU HỘP SỐ TỰ ĐỘNG 6T40
GVHD: Th.S DƯƠNG NGUYỄN HẮC LÂN
SVTH: TRẦN THANH DÂN
MSSV:...
Một số trang tài liệu:
Trang 1
Trang 44
Trang 88
Trang 132
Trang 177