Đồ án tốt nghiệp - Khảo sát và đánh giá phụ tải điện trên dòng xe bus Samco chế tạo trên nền xe TI
Tên môn học: Khóa luận tốt nghiệp
Giá: 97.000đ
97.000đ
Chi tiết
tài liệu :
Đồ án tốt nghiệp ngành Công nghệ Kỹ thuật ô tô - Khảo sát và đánh giá phụ tải điện trên dòng xe bus Samco chế tạo trên nền xe tải Isuzu - Trường Đại học Sư phạm Kỹ thuật Thành phố Hồ Chí Minh (HCMUTE)
| Định dạng | |
| Dung lượng | 6.2 MB |
| Số trang | 81 |
| Ngành Ngành học chỉ mang tính chất tham khảo | Công nghệ Kỹ thuật ô tô |
| Lượt xem | 298 |
| Ngày đăng | 06/02/2026 |
TRƯỜNG ĐẠI HỌC SƯ PHẠM KĨ THUẬT THÀNH PHỐ HỒ CHÍ MINH
KHOA CƠ KHÍ ĐỘNG LỰC
ĐỒ ÁN TỐT NGHIỆP
KHẢO SÁT VÀ ĐÁNH GIÁ PHỤ TẢI ĐIỆN TRÊN DÒNG
XE BUS SAMCO CHẾ TẠO TRÊN NỀN XE TẢI ISUZU
SVTH :
DƢƠNG ĐỨC LƢƠNG
MSSV :
14145155
SVTH :
...
KHOA CƠ KHÍ ĐỘNG LỰC
ĐỒ ÁN TỐT NGHIỆP
KHẢO SÁT VÀ ĐÁNH GIÁ PHỤ TẢI ĐIỆN TRÊN DÒNG
XE BUS SAMCO CHẾ TẠO TRÊN NỀN XE TẢI ISUZU
SVTH :
DƢƠNG ĐỨC LƢƠNG
MSSV :
14145155
SVTH :
...
Một số trang tài liệu:
Trang 1
Trang 20
Trang 40
Trang 60
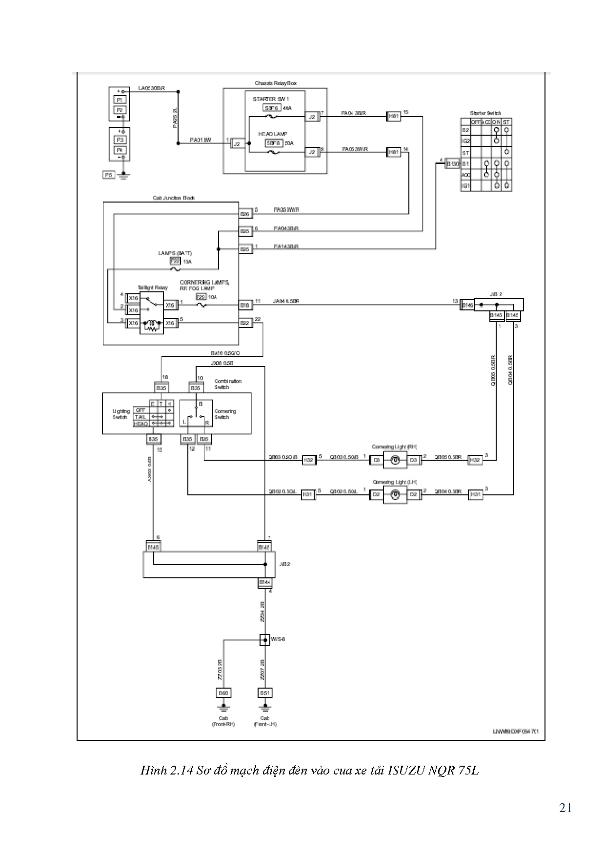
Trang 81