Đồ án tốt nghiệp - Hệ thống nhiên liệu CNC trên xe Hyundai Super Aero city
Tên môn học: Khóa luận tốt nghiệp
Giá: 82.000đ
82.000đ
Chi tiết
tài liệu :
Đồ án tốt nghiệp ngành Công nghệ Kỹ thuật ô tô - Hệ thống nhiên liệu CNC trên xe Hyundai Super Aero city - Trường Đại học Sư phạm Kỹ thuật Thành phố Hồ Chí Minh (HCMUTE)
| Định dạng | |
| Dung lượng | 8.19 MB |
| Số trang | 106 |
| Ngành Ngành học chỉ mang tính chất tham khảo | Công nghệ Kỹ thuật ô tô |
| Lượt xem | 331 |
| Ngày đăng | 23/01/2026 |
TRƯỜNG ĐẠI HỌC SƯ PHẠM KỸ THUẬT THÀNH PHỐ HỒ CHÍ MINH
KHOA ĐÀO TẠO CHẤT LƯỢNG CAO
ĐỒ ÁN TỐT NGHIỆP
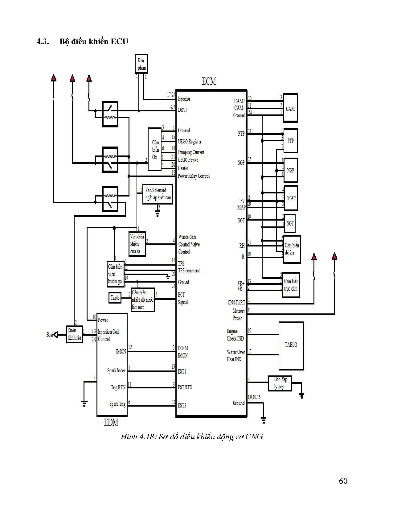
HỆ THỐNG NHIÊN LIỆU CNG TRÊN XE HYUNDAI
SUPER AERO CITY
PHAN VŨ ANH QUÂN
18145215
SVTH : LÊ THUẬN HÒA
MSSV: 18145124
GVHD: ThS. Đinh Tấn Ngọc...
KHOA ĐÀO TẠO CHẤT LƯỢNG CAO
ĐỒ ÁN TỐT NGHIỆP
HỆ THỐNG NHIÊN LIỆU CNG TRÊN XE HYUNDAI
SUPER AERO CITY
PHAN VŨ ANH QUÂN
18145215
SVTH : LÊ THUẬN HÒA
MSSV: 18145124
GVHD: ThS. Đinh Tấn Ngọc...
Một số trang tài liệu:
Trang 1
Trang 26
Trang 53
Trang 79
Trang 106