Đồ án tốt nghiệp - Thiết kế, chế tạo hệ thống chiết rót, đóng nắp chai tự động
Tên môn học: Khóa luận tốt nghiệp
Giá: 83.000đ
83.000đ
Chi tiết
tài liệu :
Đồ án tốt nghiệp ngành Công nghệ Kỹ thuật cơ điện tử - Thiết kế, chế tạo hệ thống chiết rót, đóng nắp chai tự động - Trường Đại học Sư phạm Kỹ thuật Thành phố Hồ Chí Minh (HCMUTE)
| Định dạng | |
| Dung lượng | 6.88 MB |
| Số trang | 123 |
| Ngành Ngành học chỉ mang tính chất tham khảo | CNKT cơ điện tử |
| Lượt xem | 238 |
| Ngày đăng | 18/01/2026 |
BỘ GIÁO DỤC VÀ ĐÀO TẠO
TRƯỜNG ĐẠI HỌC SƯ PHẠM KỸ THUẬT THÀNH PHỐ HỒ CHÍ MINH
KHOA ĐÀO TẠO CHẤT LƯỢNG CAO
BỘ MÔN CƠ ĐIỆN TỬ
ĐỒ ÁN TỐT NGHIỆP
ĐỀ TÀI: THIẾT KẾ, CHẾ TẠO HỆ THỐNG CHIẾT
RÓT, ĐÓNG NẮP CHAI TỰ ...
TRƯỜNG ĐẠI HỌC SƯ PHẠM KỸ THUẬT THÀNH PHỐ HỒ CHÍ MINH
KHOA ĐÀO TẠO CHẤT LƯỢNG CAO
BỘ MÔN CƠ ĐIỆN TỬ
ĐỒ ÁN TỐT NGHIỆP
ĐỀ TÀI: THIẾT KẾ, CHẾ TẠO HỆ THỐNG CHIẾT
RÓT, ĐÓNG NẮP CHAI TỰ ...
Một số trang tài liệu:
Trang 1
Trang 30
Trang 61
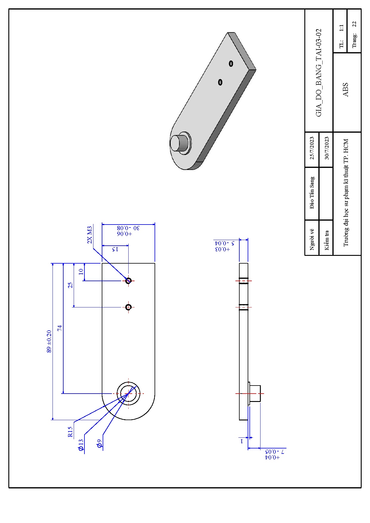
Trang 92
Trang 123