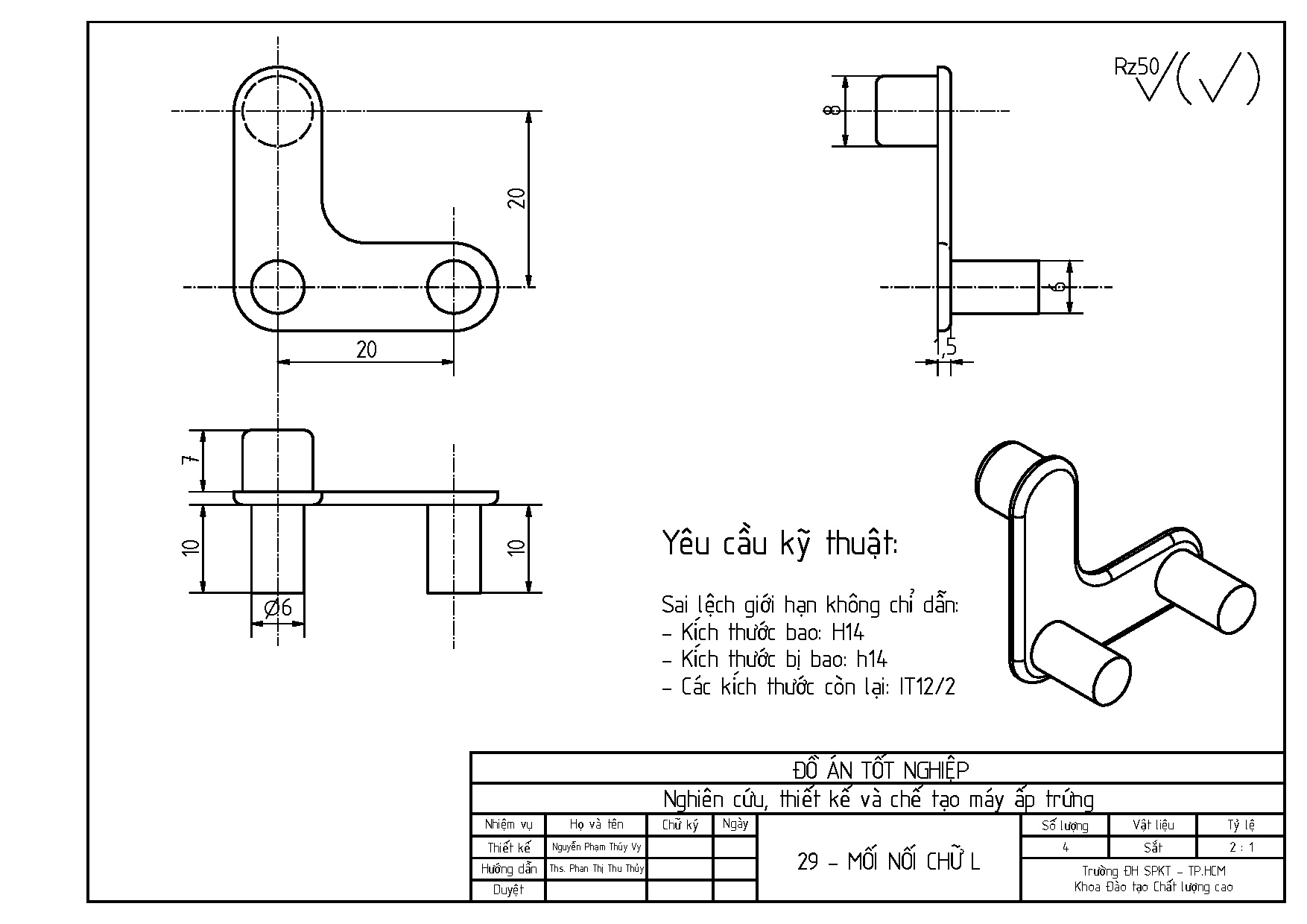
Đồ án tốt nghiệp - Nghiên cứu thiết kế và chế tạo máy ấp trứng
Tên môn học: Khóa luận tốt nghiệp
Giá: 86.000đ
86.000đ
Chi tiết
tài liệu :
Đồ án tốt nghiệp ngành Công nghệ Kỹ thuật cơ điện tử - Nghiên cứu thiết kế và chế tạo máy ấp trứng - Trường Đại học Sư phạm Kỹ thuật Thành phố Hồ Chí Minh (HCMUTE)
| Định dạng | |
| Dung lượng | 10.57 MB |
| Số trang | 132 |
| Ngành Ngành học chỉ mang tính chất tham khảo | CNKT cơ điện tử |
| Lượt xem | 281 |
| Ngày đăng | 18/01/2026 |
BỘ GIÁO DỤC VÀ ĐÀO TẠO
TRƯỜNG ĐẠI HỌC SƯ PHẠM KỸ THUẬT TP. HỒ CHÍ MINH
KHOA CƠ KHÍ CHẾ TẠO MÁY
ĐỒ ÁN TỐT NGHIỆP
Đề tài: “Nghiên cứu, thiết kế và chế tạo
máy ấp trứng”
Giảng viên hướng dẫn:
ThS. PHAN THỊ THU THỦY
Sinh...
TRƯỜNG ĐẠI HỌC SƯ PHẠM KỸ THUẬT TP. HỒ CHÍ MINH
KHOA CƠ KHÍ CHẾ TẠO MÁY
ĐỒ ÁN TỐT NGHIỆP
Đề tài: “Nghiên cứu, thiết kế và chế tạo
máy ấp trứng”
Giảng viên hướng dẫn:
ThS. PHAN THỊ THU THỦY
Sinh...
Một số trang tài liệu:
Trang 1
Trang 33
Trang 66
Trang 99
Trang 132