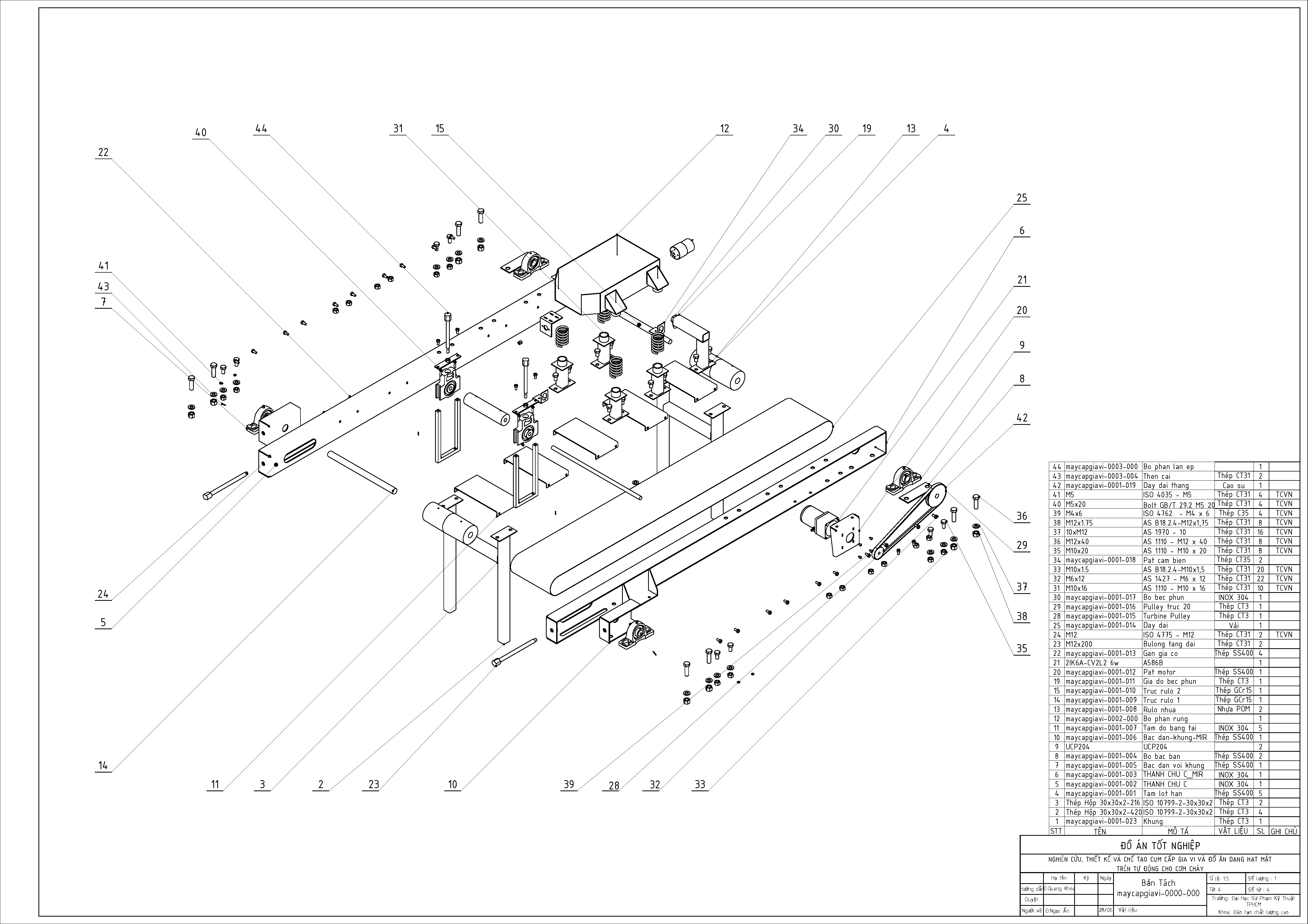
Đồ án tốt nghiệp - Nghiên cứu, thiết kế và chế tạo cụm cấp gia vị và đồ ăn dạng hạt mặt trên tự ĐCCC
Tên môn học: Khóa luận tốt nghiệp
Giá: 85.000đ
85.000đ
Chi tiết
tài liệu :
Đồ án tốt nghiệp ngành Công nghệ chế tạo máy - Nghiên cứu, thiết kế và chế tạo cụm cấp gia vị và đồ ăn dạng hạt mặt trên tự động cho cơm cháy - Trường Đại học Sư phạm Kỹ thuật Thành phố Hồ Chí Minh (HCMUTE)
| Định dạng | |
| Dung lượng | 8.86 MB |
| Số trang | 123 |
| Ngành Ngành học chỉ mang tính chất tham khảo | CN chế tạo máy |
| Lượt xem | 621 |
| Ngày đăng | 06/02/2026 |
BỘ GIÁO DỤC VÀ ĐÀO TẠO
TRƯỜNG ĐẠI HỌC SƯ PHẠM KỸ THUẬT TP. HỒ CHÍ MINH
⎯⎯⎯⎯⎯⎯⎯⎯⎯⎯⎯⎯
KHOA ĐÀO TẠO CHẤT LƯỢNG CAO
ĐỒ ÁN TỐT NGHIỆP
Đề tài:
NGHIÊN CỨU, THIẾT KẾ VÀ CHẾ TẠO CỤM CẤP
GIA VỊ VÀ ĐỒ ĂN DẠNG ...
TRƯỜNG ĐẠI HỌC SƯ PHẠM KỸ THUẬT TP. HỒ CHÍ MINH
⎯⎯⎯⎯⎯⎯⎯⎯⎯⎯⎯⎯
KHOA ĐÀO TẠO CHẤT LƯỢNG CAO
ĐỒ ÁN TỐT NGHIỆP
Đề tài:
NGHIÊN CỨU, THIẾT KẾ VÀ CHẾ TẠO CỤM CẤP
GIA VỊ VÀ ĐỒ ĂN DẠNG ...
Một số trang tài liệu:
Trang 1
Trang 30
Trang 61
Trang 92
Trang 123